Elko - L917/58 1 x fiber SC dob. Polarhvit - 9206
Logg inn eller opprett en konto for å se dine priser og bestille
Grunnleggende spesifikasjoner
Type kontakt - SC
Farge - Hvit
Kveileramme - nei
Utenpåliggende - nei
Innfelt montasje - Ja
Emballasje og betingelser
1 STK
Skaffevare
Produktserie
RS16
EAN/GTIN
7020160920607
Elnummer
6942620
Leverandørens varenummer
9206
Typebeskrivelse
L917/58 1 x fiber SC do
Type kontakt:
SC
Farge:
Hvit
Kveileramme:
nei
Utenpåliggende:
nei
Innfelt montasje:
Ja
Kanalinstalasjon:
Ja
Gulvboks/montert under gulv:
Ja
Type feste:
Skrue
RAL-nummer:
9010
Senterplate:
Ja
Beskyttelsesramme medfølger:
nei
Med plass til etikett:
nei
Med strekkavlastning:
nei
Uttaksretning:
Vinklet
Støvbeskyttelseshette:
Uten
ELKO RS16 enkel skrå sentralplate for 1 x FIBER SC Dobbel.
Farge: Polarhvit.
Halogenfri
56x56mm
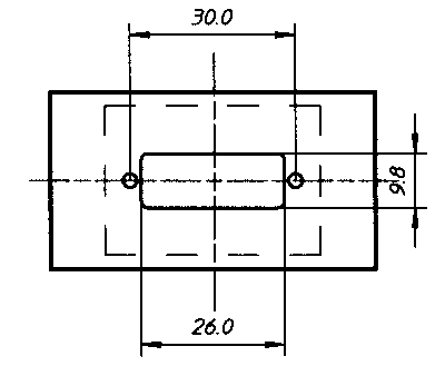
Mål på frest hull: 26 x 9,8 mm.


