Function - Kontroller for bevegelsesstyring av lys, system 24V,modulærfor ute/inne belysning 230V/2300W/1200VA - SE36080
Logg inn eller opprett en konto for å se dine priser og bestille
Grunnleggende spesifikasjoner
Monteringsmetode - REG
Merkestrøm - 10 A
Nominell spenning - 230 V
Frekvensområde - 50...50 Hz
Betjeningsmåte - Andre
Emballasje og betingelser
1 STK
Skaffevare
EAN/GTIN
5703102203298
Elnummer
1401621
Leverandørens varenummer
SE36080
Typebeskrivelse
Kontroller for bevegelsesstyring
Monteringsmetode:
REG
Merkestrøm:
10 A
Nominell spenning:
230 V
Frekvensområde:
50...50 Hz
Betjeningsmåte:
Andre
Styrestrøm:
40 mA
Dimming 1-10 V:
nei
Dimming DALI:
nei
Dimming DSI:
nei
Dimming Touch and Dim:
nei
Dimming trykknapp:
nei
Dimming leverandørspesifikk:
Ja
Omformer inngang:
nei
Lysverdiminne:
nei
Kan brukes med knapp:
nei
Kan brukes med bevegelsessensor:
Ja
Kan brukes med indikator for tilstedeværelse:
Ja
Kan brukes med tidsbryter/timer:
nei
Kan brukes med overføringsknapp:
nei
Kan brukes med infrarød-knapp:
nei
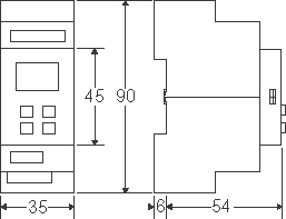
Enhet bredde:
35 mm
Enhet høyde:
90 mm
Enhet dybde:
54 mm
MONTERING
Luxstat Control er beregnet for montering på DIN-skinne, og har innebygd, regulerbar utkoplingsforsinkelse og luxinnstilling.
FUNKSJON - INNENDøRS LYSSTYRING
Luxstat Control SE 36 080 (ved innendørs lysstyring) har dagslys som første prioritet og bevegelse som andre prioritet. Tenning av belysning vil kun skje ved aktivering av bevegelsesmelderen og kun hvis lysmåleren måler utilstrekkelig dagslys. Ved tilstrekkelig dagslys vil lyssensoren slukke belysningen etter 1 minutt. Det aktuelle luxnivå står alltid i Luxstatens display. Luxstat Control må minimum tilkoples bevegelsesmelder SE 41 272 og lyssensor SE 43 197.
FUNKSJON - UTENDøRS LYSSTYRING
Luxstat Control SE 36 080 (ved utendørs lysstyring) har bevegelse som første prioritet og dagslys som andre prioritet. Tenning av belysning vil kun skje ved aktivering av bevegelsesmelderen og kun hvis lysmåleren måler utilstrekkelig dagslys. Ved tilstrekkelig dagslys vil lyssensoren slukke belysningen, men først etter at Controllerens utkoplingsforsinkelse er utløpt. Det aktuelle luxnivå står alltid i Luxstat-ens display. Luxstat Control må minimum tilkoples bevegelsesmelder SE 41 262
BETJENING
Luxstat Control kan betjenes manuelt, med bryter, impulsbryter eller ur-funksjon.


